Will Trick Trucks work on 25 mm T Slots?
Will Trick Trucks work on 25 mm T Slots?
I have recently purchased some long 25mm (not 1 inch) T slots from the overstock at 8020 and I wanted to custom build a large printer using the trick trucks from trick laser. Will the extra .2 MM of play on either side kill the gimmick though?
- Jimustanguitar
- ULTIMATE 3D JEDI
- Posts: 2608
- Joined: Sun Mar 31, 2013 1:35 am
- Location: Notre Dame area
- Contact:
Re: Will Trick Trucks work on 25 mm T Slots?
Brian will know for sure, but I'm pretty sure it will work. The eccentric spacers from openbuilds are right in the middle of their travel on 1" extrusion, so there's some room left to adjust.
Is the slot where the wheel rides the same dimension? That would matter too.
Is the slot where the wheel rides the same dimension? That would matter too.
Re: Will Trick Trucks work on 25 mm T Slots?
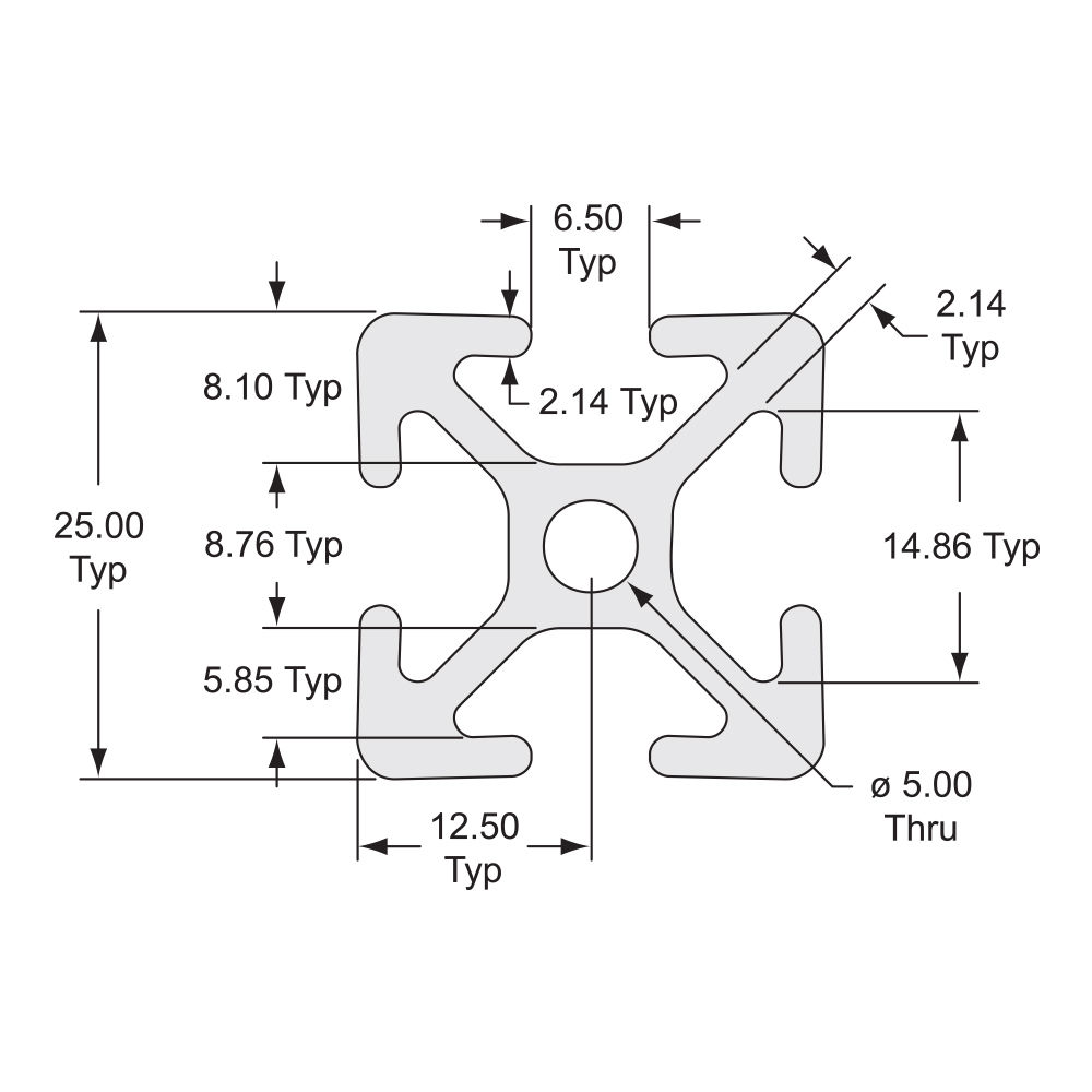
Here are the dimensions in metric:
And the dimensions of the 1 inch T Slots seemecnc uses:
.255 inches = 6.477 mm
-
ccavanaugh
- Printmaster!
- Posts: 297
- Joined: Wed Dec 12, 2012 5:03 pm
- Location: Indiana
Re: Will Trick Trucks work on 25 mm T Slots?
It will shift the truck off center by .008". Depending on how accurate you want to be on your prints, this essentially skews the rotation.
The .008" is half the difference in the width of the extrusion. The slot widths are more or less the same so that won't impact much by how the wheel rides.
Design an arm bracket to accommodate the shift and you will by okay.
The .008" is half the difference in the width of the extrusion. The slot widths are more or less the same so that won't impact much by how the wheel rides.
Design an arm bracket to accommodate the shift and you will by okay.
Re: Will Trick Trucks work on 25 mm T Slots?
The difference betwen 6.477mm and 6.50mm is negligible. The slots are essentially the same size for this purpose.
However, the difference between 25mm and 25.4mm is not. That's 0.4mm of extra adjustment inward required to make it work.
The openbuilds cam looks to be able to offset a maximum of 0.79mm from center. (last picture is dimensions: http://openbuildspartstore.com/eccentric-spacer/)
So, it looks like it could work, assuming there is sufficient adjustment remaining in the assembled unit.
Or you could make a special request to purchase an adjusted trick-truck, with holes moved slightly. Worst they can do is say no.
However, the difference between 25mm and 25.4mm is not. That's 0.4mm of extra adjustment inward required to make it work.
The openbuilds cam looks to be able to offset a maximum of 0.79mm from center. (last picture is dimensions: http://openbuildspartstore.com/eccentric-spacer/)
So, it looks like it could work, assuming there is sufficient adjustment remaining in the assembled unit.
Or you could make a special request to purchase an adjusted trick-truck, with holes moved slightly. Worst they can do is say no.
Re: Will Trick Trucks work on 25 mm T Slots?
I've no idea where you got .008", that's too small a number.ccavanaugh wrote:It will shift the truck off center by .008". Depending on how accurate you want to be on your prints, this essentially skews the rotation.
The .008" is half the difference in the width of the extrusion. The slot widths are more or less the same so that won't impact much by how the wheel rides.
Design an arm bracket to accommodate the shift and you will by okay.
In any case, the offset would be identical on X, Y, and Z, so the entire frame of reference is rotated slightly rather than anything being skewed. Which I don't see as a problem, since the result is the same. But if one did feel the need to counter-adjust, it could be accomplished by slotting the holes on the plastic arm mount and adjusting that in the other direction.
-
ccavanaugh
- Printmaster!
- Posts: 297
- Joined: Wed Dec 12, 2012 5:03 pm
- Location: Indiana
Re: Will Trick Trucks work on 25 mm T Slots?
25.4 - 20.0 = .4mm = .016". The trick truck has a center line based on the 1" extrusion. Cut the difference in half and you get a center line shift of .008". This creates a lateral skew and not an equal rotational change. End result is shifted delta geometry unless you compensate.Eric wrote:I've no idea where you got .008", that's too small a number.ccavanaugh wrote:It will shift the truck off center by .008". Depending on how accurate you want to be on your prints, this essentially skews the rotation.
The .008" is half the difference in the width of the extrusion. The slot widths are more or less the same so that won't impact much by how the wheel rides.
Design an arm bracket to accommodate the shift and you will by okay.
In any case, the offset would be identical on X, Y, and Z, so the entire frame of reference is rotated slightly rather than anything being skewed. Which I don't see as a problem, since the result is the same. But if one did feel the need to counter-adjust, it could be accomplished by slotting the holes on the plastic arm mount and adjusting that in the other direction.
Re: Will Trick Trucks work on 25 mm T Slots?
Who do I need to message on here to get a definitive answer? Should I just go with it and hope that the openbuilds spacers adjust accordingly?
Re: Will Trick Trucks work on 25 mm T Slots?
So I got a response back from them saying they wouldn't work, I'm not quite sure why since the eccentric spacers look to have enough movement in them to account for the .2 mm difference on either side. I asked for a custom copy with the holes moved slightly. Waitin to hear back.
EDIT: Also, can someone elaborate on this for me?
"Design an arm bracket to accommodate the shift and you will by okay."
EDIT: Also, can someone elaborate on this for me?
"Design an arm bracket to accommodate the shift and you will by okay."
-
Polygonhell
- ULTIMATE 3D JEDI
- Posts: 2417
- Joined: Mon Mar 26, 2012 1:44 pm
- Location: Redmond WA
Re: Will Trick Trucks work on 25 mm T Slots?
The truck is designed such that the centerline of the pivot matches the center line of the extrusion, since the wheels on one side are fixed if you mount them on smaller extrusions that center line will move which introduces motion errors. The offset would be half the difference in the width of the extrusion, as noted above by cavanaugh.
You could design and fabricate a bracket that would shift the pivot points to account for the offset in which case they could be made to work.
You could design and fabricate a bracket that would shift the pivot points to account for the offset in which case they could be made to work.
Printer blog http://3dprinterhell.blogspot.com/
- bvandiepenbos
- Printmaster!
- Posts: 923
- Joined: Thu Apr 05, 2012 11:25 pm
- Location: Goshen, IN
- Contact:
Re: Will Trick Trucks work on 25 mm T Slots?
I do not think there is enough adjustment to work on the 25 mm extrusion.
sorry.
sorry.
~*Brian V.
RostockMAX v2 (Stock)
MAX METAL "ShortyMAX"
MAX METAL Rostock MAX Printer Frame
NEMESIS Air Delta v1 & v2 -Aluminum delta printers
Rostock MAX "KITT" - Tri-Force Frame
GRABER i3 "Slim"
RostockMAX v2 (Stock)
MAX METAL "ShortyMAX"
MAX METAL Rostock MAX Printer Frame
NEMESIS Air Delta v1 & v2 -Aluminum delta printers
Rostock MAX "KITT" - Tri-Force Frame
GRABER i3 "Slim"
Re: Will Trick Trucks work on 25 mm T Slots?
I just loosened mine and it appears to have a few mm wiggle although I would think you'd have to build the trucks on the extrusion.
- Jimustanguitar
- ULTIMATE 3D JEDI
- Posts: 2608
- Joined: Sun Mar 31, 2013 1:35 am
- Location: Notre Dame area
- Contact:
Re: Will Trick Trucks work on 25 mm T Slots?
An excellent point that I hadn't considered. Correct, you are.Polygonhell wrote:The truck is designed such that the centerline of the pivot matches the center line of the extrusion, since the wheels on one side are fixed if you mount them on smaller extrusions that center line will move which introduces motion errors. The offset would be half the difference in the width of the extrusion, as noted above by cavanaugh.
Re: Will Trick Trucks work on 25 mm T Slots?
So am I SOL? Can someone help me modify a dfx file to take to the laser cutter at my maker space then?
-
Mac The Knife
- ULTIMATE 3D JEDI
- Posts: 1407
- Joined: Sun May 11, 2014 6:18 pm
Re: Will Trick Trucks work on 25 mm T Slots?
If you're also using the Trick Laser arms, you could always just shim them back to center.
R-Max V2
Eris
Folger Tech FT-5 R2
Eris
Folger Tech FT-5 R2
Re: Will Trick Trucks work on 25 mm T Slots?
I'm not, I plan on using different arms I just want a dxf I can modify at this point :/
- Tincho85
- Printmaster!
- Posts: 659
- Joined: Sun Nov 03, 2013 12:27 pm
- Location: Buenos Aires, Argentina
Re: Will Trick Trucks work on 25 mm T Slots?
Did I get it right? If so, I don't know how you can make an artifact to fix the shifting.
[img]https://farm8.staticflickr.com/7698/172 ... 9295_n.jpg[/img]
Yes you would need to compensate from both sides.
The easiest way it to move the pivot holes 0.2mm to the center.
[img]https://farm8.staticflickr.com/7698/172 ... 9295_n.jpg[/img]
Yes you would need to compensate from both sides.
The easiest way it to move the pivot holes 0.2mm to the center.
Last edited by Tincho85 on Sat Apr 25, 2015 3:34 pm, edited 1 time in total.
Martín S.
Re: Will Trick Trucks work on 25 mm T Slots?
No, ccavanaugh was right, the offset from center is only half the total adjustment required. After 0.2mm, the fixed wheels are in contact with extrusion and that's as far off-center you can go, although all the adjustment happens on one side.
Which does suggest a possible solution for a stock trick-truck. Drill out the fixed bolt-holes to the eccentric cam size and use cams for all three wheels. That gives you the ability to adjust from both sides and a lot more total adjustment. Of course, it also means adjusting everything properly will be significantly more annoying.
Which does suggest a possible solution for a stock trick-truck. Drill out the fixed bolt-holes to the eccentric cam size and use cams for all three wheels. That gives you the ability to adjust from both sides and a lot more total adjustment. Of course, it also means adjusting everything properly will be significantly more annoying.
- Tincho85
- Printmaster!
- Posts: 659
- Joined: Sun Nov 03, 2013 12:27 pm
- Location: Buenos Aires, Argentina
Re: Will Trick Trucks work on 25 mm T Slots?
Yes, but 3 eccentric spacers will bring other issues, like getting a perfect horizontal alignment for the U-Joint Carriage Base.
Martín S.
-
ccavanaugh
- Printmaster!
- Posts: 297
- Joined: Wed Dec 12, 2012 5:03 pm
- Location: Indiana
Re: Will Trick Trucks work on 25 mm T Slots?
I that that is best solution I've seen posted so far. You can measure and have a good chance of getting it right.Mac The Knife wrote:If you're also using the Trick Laser arms, you could always just shim them back to center.
Re: Will Trick Trucks work on 25 mm T Slots?
I measured my Trick Trucks from the flat section to the extrusion. Both sides of the extrusion are not equal: 27.05mm on the left, 27.30mm on the right
Each tower is about the same in regards to the difference from left to right.
Can someone else verify this? Just curious if the trucks are actually designed to offset the eccentric cam for a true center or not.
This is how I measured on both sides.
Each tower is about the same in regards to the difference from left to right.
Can someone else verify this? Just curious if the trucks are actually designed to offset the eccentric cam for a true center or not.
This is how I measured on both sides.
- bvandiepenbos
- Printmaster!
- Posts: 923
- Joined: Thu Apr 05, 2012 11:25 pm
- Location: Goshen, IN
- Contact:
Re: Will Trick Trucks work on 25 mm T Slots?
[quote="KAS"]I measured my Trick Trucks from the flat section to the extrusion. Both sides of the extrusion are not equal: 27.05mm on the left, 27.30mm on the right
Each tower is about the same in regards to the difference from left to right.
Can someone else verify this? Just curious if the trucks are actually designed to offset the eccentric cam for a true center or not.
The Trick Trucks are designed so the arm mounts are centered on extrusions.
Measure from 1/8" pin holes to extrusion for a true measurement. Or take off arm mount and measure to hole in center, under the belt.
Even your current measurements are only .25 mm different, which is only .0049" off center. I honestly do not think that amount will affect anything. All 3 towers would have same amount of shift.
If this really bothers you it would be simple to shift the arm pairs by putting extra .125 MM (.0049") thick "shim washer" on one side of arm axle. That is about the thickness of two pieces of copy paper.
If you want to get really anal, get some of these http://www.mcmaster.com/#99040a301/=wwx0b1 and shim away!
Each tower is about the same in regards to the difference from left to right.
Can someone else verify this? Just curious if the trucks are actually designed to offset the eccentric cam for a true center or not.
The Trick Trucks are designed so the arm mounts are centered on extrusions.
Measure from 1/8" pin holes to extrusion for a true measurement. Or take off arm mount and measure to hole in center, under the belt.
Even your current measurements are only .25 mm different, which is only .0049" off center. I honestly do not think that amount will affect anything. All 3 towers would have same amount of shift.
If this really bothers you it would be simple to shift the arm pairs by putting extra .125 MM (.0049") thick "shim washer" on one side of arm axle. That is about the thickness of two pieces of copy paper.
If you want to get really anal, get some of these http://www.mcmaster.com/#99040a301/=wwx0b1 and shim away!
~*Brian V.
RostockMAX v2 (Stock)
MAX METAL "ShortyMAX"
MAX METAL Rostock MAX Printer Frame
NEMESIS Air Delta v1 & v2 -Aluminum delta printers
Rostock MAX "KITT" - Tri-Force Frame
GRABER i3 "Slim"
RostockMAX v2 (Stock)
MAX METAL "ShortyMAX"
MAX METAL Rostock MAX Printer Frame
NEMESIS Air Delta v1 & v2 -Aluminum delta printers
Rostock MAX "KITT" - Tri-Force Frame
GRABER i3 "Slim"
Re: Will Trick Trucks work on 25 mm T Slots?
It's no big deal for me. I was just curious after reading the comments above and wondering if it had something to do with the Xtreme Solid V Wheels I'm using.