filastruder
filastruder
got my kit a week ago, just finially got time to print out the required parts
[img]https://lh5.googleusercontent.com/-qy1v ... 125740.jpg[/img]
[img]https://lh5.googleusercontent.com/-qy1v ... 125740.jpg[/img]
Re: filastruder
Envious. I'm saving up.
-sandy
-sandy
Re: filastruder
cant beat $4/lb vs $20 we pay now for a rollsandy wrote:Envious. I'm saving up.
-sandy
Re: filastruder
Nice. I'm interested in the prototype one of the guys over on their forums cooked up for chopping up your filament - it seems like the DIY colorant doesn't mix in very evenly, especially when you're just adding a small amount in. One of the guys rigged up something with an extra barrel/augur he had to feed filament in, chop it into pellets, and then capture it for re-extrusion to even out the coloration. Between that, the extruder, and an autowinder, you can have your own DIY filament factory.
Re: filastruder
that grinder is going to be Hella-expensive. I looked on ebay and real plastic shredders run 1000-10000 dollars. So I was thinking that it might be possible to make one from a kitchen machine like a food processor or a meat grinder.
the plastic needs to be shredded, not chopped -- so maybe the meat grinder on a Kitchen-Aid?
the plastic needs to be shredded, not chopped -- so maybe the meat grinder on a Kitchen-Aid?
Re: filastruder
Oh, you're thinking of the one for breaking down old prints and stuff. The one I saw on the filastruder board (by the guy who made the auto winder for the Filastruder) was using an extra Filastruder barrel and augur, an extra filament extruder drive, and a drill. It's just designed for breaking down filament pieces only.
https://www.youtube.com/watch?v=SiqaO-7tZFs
https://www.youtube.com/watch?v=SiqaO-7tZFs
- Eaglezsoar
- ULTIMATE 3D JEDI
- Posts: 7159
- Joined: Sun Apr 01, 2012 5:26 pm
Re: filastruder
Would that make it a noodlestrudler?
Re: filastruder
Very cool. Is this 1.75mm filament you're making? How consistent is it? Have you tried printing with it yet? Does it extrude fast enough that you could feed it directly into the Rostock extruder to print? Curious minds want to know!
cheers,
Michael
cheers,
Michael
Sublime Layers - my blog on Musings and Experiments in 3D Printing Technology and Art
Start Here:
A Strategy for Successful (and Great) Prints
Strategies for Resolving Print Artifacts
The Eclectic Angler
Re: filastruder
I've been "been making pasta" for a little while now. It's as consistent as you are willing to "tweak" it in.mhackney wrote:Very cool. Is this 1.75mm filament you're making? How consistent is it? Have you tried printing with it yet? Does it extrude fast enough that you could feed it directly into the Rostock extruder to print? Curious minds want to know!
cheers,
Michael
Last edited by Batteau62 on Tue Mar 25, 2014 5:28 pm, edited 1 time in total.
-"Simpler is better, except when complicated looks really cool."
-"As soon as you make something fool proof...along comes an idiot."
-"I have not failed. I've just found 10,000 ways that won't work." ~Thomas Edison
-"As soon as you make something fool proof...along comes an idiot."
-"I have not failed. I've just found 10,000 ways that won't work." ~Thomas Edison
Re: filastruder
Nice when I thought about getting or maybe making one I thought about gravity , like hanging on wall vertical and spooler to the water bath would be little tricky but plausible.
Re: filastruder
How are fumes? Bad? I notice the venting.
"Now you see why evil will always triumph! Because good is dumb." - Spaceballs
Re: filastruder
The fumes are noticeable, but not terrible. It's not a fast process, turning 2lbs of pellets into filament can take all day. Hoping to shorten that with the new beta motor. Since I do this in the basement, I just like to keep the family(wife) happy 
-"Simpler is better, except when complicated looks really cool."
-"As soon as you make something fool proof...along comes an idiot."
-"I have not failed. I've just found 10,000 ways that won't work." ~Thomas Edison
-"As soon as you make something fool proof...along comes an idiot."
-"I have not failed. I've just found 10,000 ways that won't work." ~Thomas Edison
- barry99705
- Printmaster!
- Posts: 707
- Joined: Sun Aug 11, 2013 6:10 pm
- Location: west ohio
Re: filastruder
Heh, I live next door to a plastics company, probably wouldn't even notice the fumes! 
Never do anything you don't want to have to explain to the paramedics.
Re: filastruder
update:
alrighty, i have gotten my setup going pretty good next to my printer. I have the filastrudrer wired in such a way was i can turn it on and off via OctoPi. The heater will warm to temp and automatically turn on the auger. By default this is connected to a switch that you would have to flip once temp is reached.
at this height i am getting pretty good spooling effect on the floor.
https://lh6.googleusercontent.com/-vA8_ ... 232709.jpg
Ive ordered 10lbs of each PLA and ABS with all the available colorings from OSP
[img]https://lh6.googleusercontent.com/-5wd6 ... 232723.jpg[/img]
I have started with abs w/ copper type of colorant
[img]https://lh4.googleusercontent.com/-k2x1 ... 232801.jpg[/img]
alrighty, i have gotten my setup going pretty good next to my printer. I have the filastrudrer wired in such a way was i can turn it on and off via OctoPi. The heater will warm to temp and automatically turn on the auger. By default this is connected to a switch that you would have to flip once temp is reached.
at this height i am getting pretty good spooling effect on the floor.
https://lh6.googleusercontent.com/-vA8_ ... 232709.jpg
Ive ordered 10lbs of each PLA and ABS with all the available colorings from OSP
[img]https://lh6.googleusercontent.com/-5wd6 ... 232723.jpg[/img]
I have started with abs w/ copper type of colorant
[img]https://lh4.googleusercontent.com/-k2x1 ... 232801.jpg[/img]
Re: filastruder
here is some abs with the copper color above
[img]https://lh6.googleusercontent.com/-Seem ... 204640.jpg[/img]
[img]https://lh6.googleusercontent.com/-d5wd ... 204650.jpg[/img]
this stuff prints like butta!
[img]https://lh6.googleusercontent.com/-Seem ... 204640.jpg[/img]
[img]https://lh6.googleusercontent.com/-d5wd ... 204650.jpg[/img]
this stuff prints like butta!
Re: filastruder
Batteau62, nice looking rig! You really don't mess around.
Technologist, Maker, Willing to question conventional logic
http://dropc.am/p/KhiI1a
http://dropc.am/p/KhiI1a
- Eaglezsoar
- ULTIMATE 3D JEDI
- Posts: 7159
- Joined: Sun Apr 01, 2012 5:26 pm
Re: filastruder
bubbasnow, that is a very good looking print and to think you made the filament.
Nice color, nice print characteristics equals a good job. Thanks for posting the type of smooth
flowing filament you can produce.
Nice color, nice print characteristics equals a good job. Thanks for posting the type of smooth
flowing filament you can produce.
Re: filastruder
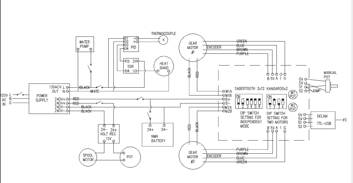
A bit off topic b/c it is not the filastruder but the Lyman V3 that I have sourced parts for and am trying to build, can someone here help me with the wiring? Here is a link to the thingaverse site with the pdf with the wiring diagram in it:
https://www.thingiverse.com/thing:145500
Keep in mind I am just trying to make the extruder itself for now, not the whole cooling mechanism or the spool winder.
Here is a wiring guide, I have very little experience with soldering unfortunately:
https://www.thingiverse.com/thing:145500
Keep in mind I am just trying to make the extruder itself for now, not the whole cooling mechanism or the spool winder.
Here is a wiring guide, I have very little experience with soldering unfortunately:
Last edited by TFMike on Tue Apr 08, 2014 7:46 pm, edited 1 time in total.
Re: filastruder
what was your end price?TFMike wrote:A bit off topic b/c it is not the filastruder but the Lyman V3 that I have sourced parts for and am trying to build, can someone here help me with the wiring? Here is a link to the thingaverse site with the pdf with the wiring diagram in it:
https://www.thingiverse.com/thing:145500
Keep in mind I am just trying to make the extruder itself for now, not the whole cooling mechanism or the spool winder.
Re: filastruder
around the same as the filastruder kit, shoulda just gone with that cuz it woulda been a lot simpler, but please help me out if you can brotherbubbasnow wrote:what was your end price?TFMike wrote:A bit off topic b/c it is not the filastruder but the Lyman V3 that I have sourced parts for and am trying to build, can someone here help me with the wiring? Here is a link to the thingaverse site with the pdf with the wiring diagram in it:
https://www.thingiverse.com/thing:145500
Keep in mind I am just trying to make the extruder itself for now, not the whole cooling mechanism or the spool winder.
- Eaglezsoar
- ULTIMATE 3D JEDI
- Posts: 7159
- Joined: Sun Apr 01, 2012 5:26 pm
Re: filastruder
TFMike wrote:A bit off topic b/c it is not the filastruder but the Lyman V3 that I have sourced parts for and am trying to build, can someone here help me with the wiring? Here is a link to the thingaverse site with the pdf with the wiring diagram in it:
https://www.thingiverse.com/thing:145500
Keep in mind I am just trying to make the extruder itself for now, not the whole cooling mechanism or the spool winder.
Here is a wiring guide, I have very little experience with soldering unfortunately:
As long as you have all the parts, I would be glad to help with the wiring. Send me a PM about what kind of help is needed,etc.TFMike wrote:A bit off topic b/c it is not the filastruder but the Lyman V3 that I have sourced parts for and am trying to build, can someone here help me with the wiring? Here is a link to the thingaverse site with the pdf with the wiring diagram in it:
https://www.thingiverse.com/thing:145500
Keep in mind I am just trying to make the extruder itself for now, not the whole cooling mechanism or the spool winder.
Here is a wiring guide, I have very little experience with soldering unfortunately:
No costs are involved. I do not charge to help forum members. Just click on my name and choose send PM and we will discuss your needs.
Re: filastruder
i need... a beerEaglezsoar wrote:TFMike wrote:A bit off topic b/c it is not the filastruder but the Lyman V3 that I have sourced parts for and am trying to build, can someone here help me with the wiring? Here is a link to the thingaverse site with the pdf with the wiring diagram in it:
https://www.thingiverse.com/thing:145500
Keep in mind I am just trying to make the extruder itself for now, not the whole cooling mechanism or the spool winder.
Here is a wiring guide, I have very little experience with soldering unfortunately:As long as you have all the parts, I would be glad to help with the wiring. Send me a PM about what kind of help is needed,etc.TFMike wrote:A bit off topic b/c it is not the filastruder but the Lyman V3 that I have sourced parts for and am trying to build, can someone here help me with the wiring? Here is a link to the thingaverse site with the pdf with the wiring diagram in it:
https://www.thingiverse.com/thing:145500
Keep in mind I am just trying to make the extruder itself for now, not the whole cooling mechanism or the spool winder.
Here is a wiring guide, I have very little experience with soldering unfortunately:
No costs are involved. I do not charge to help forum members. Just click on my name and choose send PM and we will discuss your needs.
Re: filastruder
I'll drink to that 
-"Simpler is better, except when complicated looks really cool."
-"As soon as you make something fool proof...along comes an idiot."
-"I have not failed. I've just found 10,000 ways that won't work." ~Thomas Edison
-"As soon as you make something fool proof...along comes an idiot."
-"I have not failed. I've just found 10,000 ways that won't work." ~Thomas Edison
Re: filastruder
as noted my Elmoret if you look at this picture my two mounting plates weren't perfectly parallel to each other and perpendicular to the mounting board, this causes more twisting when the auger is active and could lead to destruction.
so i made this little assembly jig that you can go ahead and leave in place during assembly, just print 2 of these along with the other included files for the kit and you should be nice and square.
if you are going to use the included electrical box you will have to cut a notch to allow for a flush mount to the forward plate.
[img]https://lh6.googleusercontent.com/-JLxa ... 165438.jpg[/img]
here is a link to the thing
http://www.thingiverse.com/thing:298429