Filament Extruder (Lyman v3)
Filament Extruder (Lyman v3)
I recently acquired all of the required parts to build the Lyman Filament extruder v3 and have found myself stuck at the wiring stage, his guide offers a very complicated diagram for wiring up the whole thing (water cooler and spool winder) but doesn't offer one for those who simply want to build the extruder alone. I have added the wiring guide here as an attachment as well as the BOM, which I have all the parts for. I have been looking at the wiring diagram for the filastruder (attached as well) and was wondering if I could simply copy it without too much hassle, if someone here with more knowledge about this than myself could chime in to help me out I would greatly appreciate it, thanks
Re: Filament Extruder (Lyman v3)
Ack, you've got 120V and 24V circuits mixed together in that first image! I think you'll find it easier if you think of the hot-end circuit and the motor circuit as completely separate, because they are. The functional connection between the two is your hand on the switches. It's up to you to turn on the heat and get it to temperature before you start the motor.
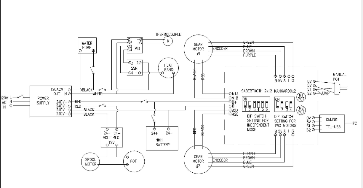
Based on his BOM for extruder only, this is what I think he has in mind for that situation. I took his image and erased what didn't apply. I also made it work with only the two switches specced, so you can turn on the heat and get it to temperature before turning on the motor.
[img]http://i.imgbox.com/rEUt6ibN.jpg[/img]
If you could find a 120V gear motor with the right RPM and mechanical specs (no encoder feature required), you could eliminate the 24V power supply as well.
Based on his BOM for extruder only, this is what I think he has in mind for that situation. I took his image and erased what didn't apply. I also made it work with only the two switches specced, so you can turn on the heat and get it to temperature before turning on the motor.
[img]http://i.imgbox.com/rEUt6ibN.jpg[/img]
If you could find a 120V gear motor with the right RPM and mechanical specs (no encoder feature required), you could eliminate the 24V power supply as well.